
Filtreco Basic Sieve
Filtreco Basic Sieve
Filtreco Filtra Sieve zijn mechanische filters die dienen voor de eerste stap in het filterproces, namelijk de voorfiltratie! Bij mechanische filtratie worden de eerste grove deeltjes zoals ontlasting, bladeren en voederresten gescheiden. Dit is nodig om de belasting van het biologische filtermedium zo gering mogelijk te houden.
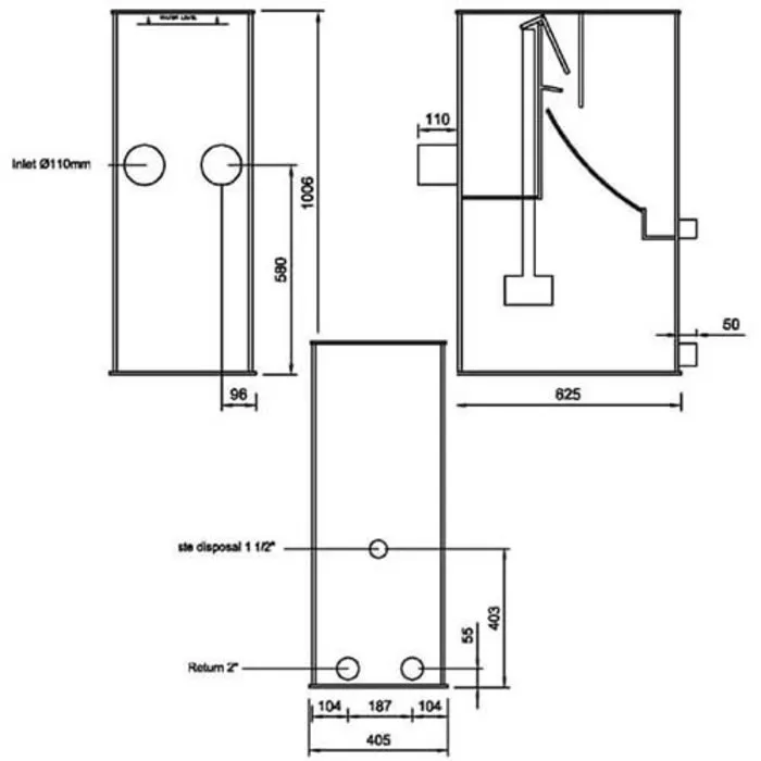
De Filtreco Filtra Sieves kunnen direct op een skimmer en een bodemdrain worden aangesloten. Dit is überhaupt van belang voor een goede recirculatie van uw gehele vijversysteem. Het water wordt aangevoerd door de twee buizen van de skimmer en de bodemdrain. Kies voor deze verbinding het beste een buis van 110 mm. Door de 110 mm. zal de vuilcirculatie optimaal functioneren! Ook adviseren wij u om een T-stuk voor de sieve op de bodemdrainleiding te monteren die rechtstreeks op de riolering wordt aangesloten. Indien dit niet mogelijk is kunt u ook een stortput met dompelpomp gebruiken om vandaar uit het vuil af te kunnen voeren. Een bodemdrainleiding van 110 mm. moet namelijk een minimale doorstroming hebben van 17 m3/ uur om ophoping van vaste deeltjes te voorkomen. In de praktijk kunnen we deze recirculatiesnelheid niet realiseren, vandaar de extra mogelijkheid tot spoelen!
Eenmaal in de Filtreco Filtra Sieve aangekomen zal het water over een roestvrij stalen zeef lopen. Hier begint de eerste scheiding van de vaste deeltjes. De zeef bevat openingen van 200 tot 300 micron. Dit is ruim voldoende om de belangrijkste vuildeeltjes af te vangen en toch voldoende voeding door te laten die de mineraliserende bacteriën hard nodig hebben!
Na het passeren van de zeef zal het water via een opvangbak doormiddel van een pomp verder getransporteerd worden. Meestal zal dit leiden naar een biologisch filter of in enkele gevallen direct naar de vijver.Boven op het filter bevindt zich een beweegbare klep die de watertoevoer kan onderbreken wanneer de zeef gereinigd moet worden. Op deze manier kunt u het vuil met een minimale hoeveelheid water uit het systeem spoelen. Hiervoor is er een extra afvoer op de Filtreco Filtra Sieve geïntegreerd! Deze afvoer kunt u ook weer op uw riolering of stortput aansluiten.
Maat (L x B x H): 620 x 405 x 1006 mm
Max. Flow: 30.000 l/u
Zeef element: 300 micron en de laatste 50 mm 200 micron
Zeef: 355 x 400 mm
Inlaat: 2 x 110 mm
Uitgang: 2 x buitendraad 2"
Vuil afvoer: 1 x buitendraad 1½"
Inclusief: 50 mm kogelkraan
Materiaal: Polypropyleen
Inclusief: Deksel
Kleur: Sahara












