
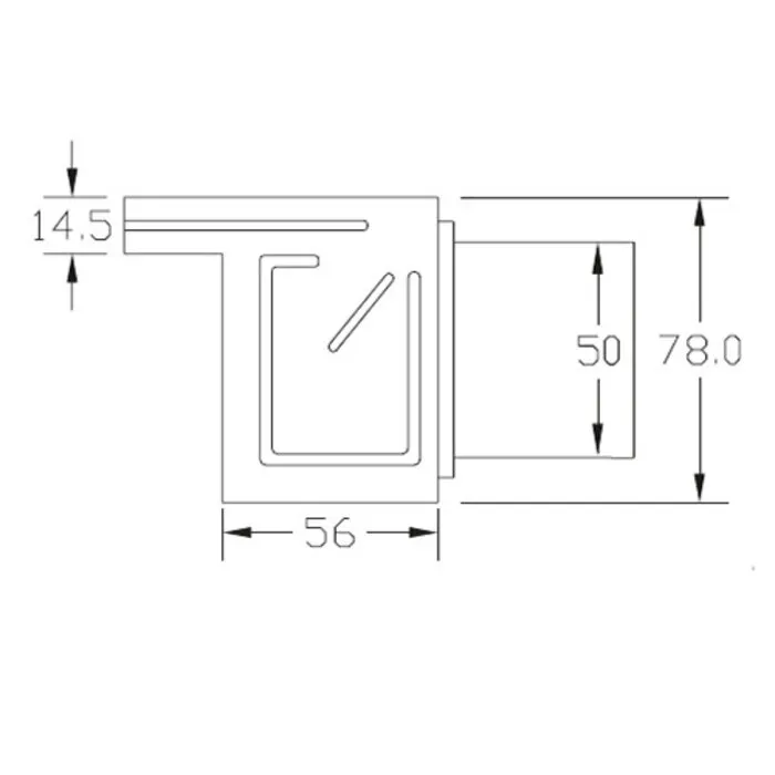
Astralpool Waterval Silkflow 1200mm
Bestellen zonder account is mogelijk
Ook op zaterdag levering
Gratis verzending vanaf €75 (NL & BE) 
Voor 17:00 besteld, dezelfde dag verzonden (mits voorradig) 
Meer dan 10000 producten
Snelle klantenservice
Beschrijving
Astralpool Waterval Silkflow 1200mm
Waterval van ABS om elke vorm van corrosie tegen te gaan. Ideaal voor constructies in muren. Beschikbaar in 4 verschillende breedtes. Ø50mm PVC inlaat. Intern filterelement zorgt voor een mooie, vloeiende, waterverdeling over de gehele breedte van de waterval. In het voorbeeld met de 4 foto's hebben we een AquaForte O-Plus/DM-10.000 Vario gebruikt op 4 verschillende snelheden (50/60/80/100%) om het verschil te laten zien in waterval volume/afstand en stroomverbruik.
Let op: de waterattracties worden geleverd exclusief de inbouwdelen, pomp, regeleenheid en inlaatsysteem.

      Reviews
      
0/10
                  Geen reviews gevonden
              
Je beoordeling toevoegenKunnen wij u misschien helpen?
Laatst bekeken














